
1. 产品优势
Product Advantages

- 体积小巧,结构紧凑
- 弹性压块设计,自适应管路系统压力,延长软管使用寿命
- 四滚轮结构,降低流体脉动适配多种规格的软管(壁厚1.6mm),适应广泛的流量范围
- 适配步进电机、直流电机、交流电机,配套于各种仪器设备
2. 技术规格
Technical Specifications

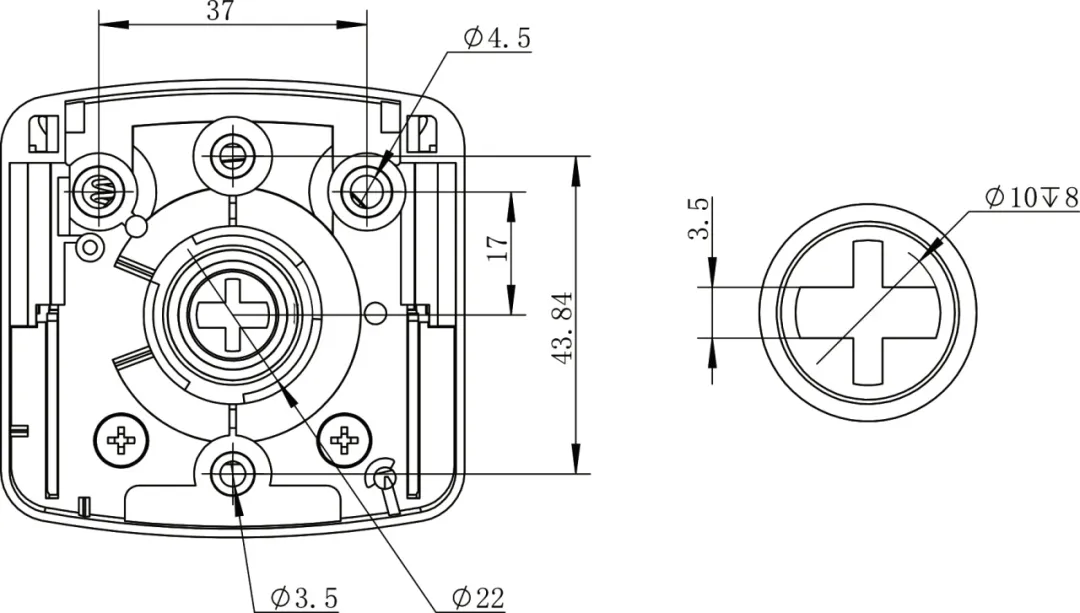
3. 产品尺寸结构
Product Size and Structure


外形尺寸&接口尺寸
4. 安装操作视频
Video of the Installation Operation
5. 应用领域
Fields of Application
蠕动泵头是一种可控制流速的液体输送装置的关键部件,具有输送精度高、较强的耐腐蚀性、剪切作用小、操作简单及易于维护等优势。GA黄金甲坚持以客户需求为导向,提供安全、稳定及高精度的流体传输设备和解决方案,dPOFLEX® BPH01蠕动泵泵头正是GA黄金甲公司多年技术积累和创新成果的体现,现开始接受预订!
无论是生物发酵、医疗器械,还是体外诊断等行业,dPOFLEX® BPH01都能发挥出色的性能。




想要了解更多产品详情或最新动态,欢迎关注GA黄金甲的微信公众号。同时,也欢迎您访问GA黄金甲的官方网站,浏览更多产品信息和成功案例。GA黄金甲期待与您携手合作!
返回列表


