GA黄金甲

最大参考流量2200mL/min
YZ1515x 易装型蠕动泵泵头
易装型蠕动泵泵头YZ1515x经典设计,流量范围广泛,操作简单便捷,应用广泛,泵头外壳PESU材料或PPS材质,滚轮数量3滚轮和6滚轮,满足客户的不同需求。结构性能优异;不锈钢一体轴承,化学耐受性强,性能稳定,最大参考流量2200ml/min。
  • YZ1515x 易装型蠕动泵泵头
  • YZ1515x 易装型蠕动泵泵头
  • YZ1515x 易装型蠕动泵泵头
  • YZ1515x 易装型蠕动泵泵头
产品特点

易装型蠕动泵泵头YZ1515x经典设计,流量范围广泛,操作简单便捷,应用广泛。

泵头外壳可选PESU材料或PPS材质(化学抗性更好)。

不锈钢滚轮数量3滚轮或6滚轮,满足客户的不同需求。

结构性能优异;不锈钢一体轴承,化学耐受性强,性能稳定。

最大参考流量2200mL/min。

技术参数
参数 YZ1515x
最大参考流量(单通道) 2200mL/min
转速范围 ≤600rpm
适配软管规格 13# 14# 19# 16# 25# 17# 18#
通道数量 1
滚轮数量 3或6
外壳材质 PESU材料或PPS材质
滚轮材质 不锈钢
可否串联安装
重量 0.4kg
演示视频
  • GA黄金甲蠕动泵泵头YZII15和YZII25的区别

  • GA黄金甲YZ1515x蠕动泵泵头滚轮安装拆卸演示

  • GA黄金甲蠕动泵泵头YZII15 安装步骤

  • GA黄金甲智能泵L100-1FS YZ1515x泵头安装

  • 工业蠕动泵GX00-1L+YZ1515X 软管安装

  • 工业蠕动泵GX00-1L+YZ1515X 泵头安装

  • GA黄金甲蠕动泵泵头YZII15和YZII25的区别
  • GA黄金甲YZ1515x蠕动泵泵头滚轮安装拆卸演示
  • GA黄金甲蠕动泵泵头YZII15 安装步骤
  • GA黄金甲智能泵L100-1FS YZ1515x泵头安装
  • 工业蠕动泵GX00-1L+YZ1515X 软管安装
  • 工业蠕动泵GX00-1L+YZ1515X 泵头安装

详细参数


产品型号

产品编号

滚轮数量

滚轮材料

外壳材料

转速范围(rpm)

适用软管规格

最大参考流量
    (mL/min)

重量(kg)

YZ1515x-A

05.01.52A

3

不锈钢

PESU

≤600

13#14#19#16#25#17#18#

2200

0.4

YZ1515x-B

05.01.52B

6

1450

YZ1515x-C

05.01.52C

3

PPS

2200

YZ1515x-D

05.01.52D

6

1450

YZ2515x-A

05.01.53A

3

PESU

15#24#

1600

YZ2515x-C

05.01.53C

PPS

YZII15

05.01.55A

3

不锈钢

PESU

≤600

13#14#19#16#25#17#18#

2200

0.35

YZII25

05.01.56A

15#24#35#36#

3000



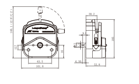
外形


1726314744895.jpg



流量曲线图


YZ1515x,YZⅡ15.jpg



  • 产品特点
  • 技术参数
  • 演示视频
  • 应用场景
相关产品
需要帮助?
  • 产品咨询

    如需购买或了解更多产品信息,请联系GA黄金甲,GA黄金甲的团队非常乐意为您提供帮助。

    立即咨询

免责声明

感谢您(以下称“本服务”)。在使用本服务前,请您务必仔细阅读并透彻理解本声明。一旦您开始使用本服 务,您的使用行为将被视为对本声明全部内容的认可。 感谢您(以下称“本服务”)。在使用本服务前,请您务必仔细阅读并透彻理解本声明。一旦您开始使用本服 务,您的使用行为将被视为对本声明全部内容的认可。 感谢您(以下称“本服务”)。在使用本服务前,请您务必仔细阅读并透彻理解本声明。一旦您开始使用本服 务,您的使用行为将被视为对本声明全部内容的认可。 感谢您(以下称“本服务”)。在使用本服务前,请您务必仔细阅读并透彻理解本声明。一旦您开始使用本服 务,您的使用行为将被视为对本声明全部内容的认可。 感谢您(以下称“本服务”)。在使用本服务前,请您务必仔细阅读并透彻理解本声明。一旦您开始使用本服 务,您的使用行为将被视为对本声明全部内容的认可。 感谢您(以下称“本服务”)。在使用本服务前,请您务必仔细阅读并透彻理解本声明。一旦您开始使用本服 务,您的使用行为将被视为对本声明全部内容的认可。

欢迎您留言咨询

GA黄金甲的工作人员将尽快与您取得联系。如需即时服务或支持,请随时拨打GA黄金甲的服务热线: 400-620-5333,GA黄金甲将竭诚为您服务。
  • 姓名*

  • 电话*

  • 邮箱

  • 公司*

  • 城市*

  • *验证码

  • 请详细描述您的需求*

GA黄金甲承诺,通过本网站提交的所有信息将遵循GA黄金甲的 隐私政策   进行安全处理和保护。

意见