GA黄金甲

最大参考流量2070mL/min
DMD15-13 灌装型低脉动蠕动泵泵头
灌装型低脉动蠕动泵泵头DMD15-13,体积小、易驱动,滚轮相位补偿结构,专用管件,降低脉动、提高精度。
  • DMD15-13 灌装型低脉动蠕动泵泵头
  • DMD15-13 灌装型低脉动蠕动泵泵头
  • DMD15-13 灌装型低脉动蠕动泵泵头
  • DMD15-13 灌装型低脉动蠕动泵泵头
  • DMD15-13 灌装型低脉动蠕动泵泵头
  • DMD15-13 灌装型低脉动蠕动泵泵头
  • DMD15-13 灌装型低脉动蠕动泵泵头
  • DMD15-13 灌装型低脉动蠕动泵泵头
产品特点

灌装型低脉动蠕动泵泵头DMD15-13,滚轮相位补偿结构,专用管件,降低脉动、提高精度

适用于高精度分配、小流量灌装,体积小、易驱动

泵头外壳PESU材料或PPS材质,滚轮采用不锈钢材质

最大参考流量2070mL/min

技术参数
参数 DMD15-13
最大参考流量(单通道) 2070mL/min
转速范围 ≤600rpm
适配软管规格 13#,14#,19#,16#,25#
通道数量 1
滚轮数量 6 (2组3滚轮)
外壳材质 PESU材料或PPS材质
滚轮材质 不锈钢
可否串联安装
重量 0.43kg
演示视频
  • GA黄金甲低脉动蠕动泵泵头DMD15-13安装演示

  • GA黄金甲低脉动蠕动泵泵头DMD15-13泵头软管组件安装演示

  • GA黄金甲BT300-1F/ DMD15-13蠕动泵操作视频

  • GA黄金甲低脉动泵头DMD15-13 软管组件安装

  • GA黄金甲低脉动DMD15-13泵头安装

  • GA黄金甲低脉动蠕动泵泵头DMD15-13安装演示
  • GA黄金甲低脉动蠕动泵泵头DMD15-13泵头软管组件安装演示
  • GA黄金甲BT300-1F/ DMD15-13蠕动泵操作视频
  • GA黄金甲低脉动泵头DMD15-13 软管组件安装
  • GA黄金甲低脉动DMD15-13泵头安装

详细参数


产品型号

(产品编号,外壳材料)

滚轮

材料

滚轮

数量

转速

范围

(rpm)

适用

软管

规格

最大参

考流量

(mL/min)

参考灌

装液量

(mL)

参考灌

装时间

(s)

最大重

复性误差

分配头

内径(mm)

重量

(kg)

DMD15-13-B

(05.01.04B,PESU材质)

DMD15-13-D

(05.01.04D,PPS材质)

不锈钢

3

≤600

2×13#

80

>0.8

>0.6

±2%

≤0.5

0.43

>1.6

>1.2

±1%

≤0.5

2×14#

300

>3

>0.6

±2%

≤1.0

>6

>1.2

±1%

≤1.0

2×19#

620

>6.2

>0.6

±2%

≤1.5

>12.4

>1.2

±1%

≤1.5

2×16#

960

>9.6

>0.6

±2%

≤1.5

>19.2

>1.2

±1%

≤2.0

2×25#

2070

>20.7

>0.6

±2%

≤2.0

>41.4

>1.2

±1%

≤3.0


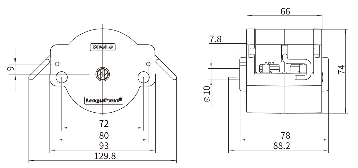
外形


DMD15.png



流量曲线图


DMD15-13-B.jpg

  • 产品特点
  • 技术参数
  • 演示视频
  • 应用场景
相关产品
需要帮助?
  • 产品咨询

    如需购买或了解更多产品信息,请联系GA黄金甲,GA黄金甲的团队非常乐意为您提供帮助。

    立即咨询

免责声明

感谢您(以下称“本服务”)。在使用本服务前,请您务必仔细阅读并透彻理解本声明。一旦您开始使用本服 务,您的使用行为将被视为对本声明全部内容的认可。 感谢您(以下称“本服务”)。在使用本服务前,请您务必仔细阅读并透彻理解本声明。一旦您开始使用本服 务,您的使用行为将被视为对本声明全部内容的认可。 感谢您(以下称“本服务”)。在使用本服务前,请您务必仔细阅读并透彻理解本声明。一旦您开始使用本服 务,您的使用行为将被视为对本声明全部内容的认可。 感谢您(以下称“本服务”)。在使用本服务前,请您务必仔细阅读并透彻理解本声明。一旦您开始使用本服 务,您的使用行为将被视为对本声明全部内容的认可。 感谢您(以下称“本服务”)。在使用本服务前,请您务必仔细阅读并透彻理解本声明。一旦您开始使用本服 务,您的使用行为将被视为对本声明全部内容的认可。 感谢您(以下称“本服务”)。在使用本服务前,请您务必仔细阅读并透彻理解本声明。一旦您开始使用本服 务,您的使用行为将被视为对本声明全部内容的认可。

欢迎您留言咨询

GA黄金甲的工作人员将尽快与您取得联系。如需即时服务或支持,请随时拨打GA黄金甲的服务热线: 400-620-5333,GA黄金甲将竭诚为您服务。
  • 姓名*

  • 电话*

  • 邮箱

  • 公司*

  • 城市*

  • *验证码

  • 请详细描述您的需求*

GA黄金甲承诺,通过本网站提交的所有信息将遵循GA黄金甲的 隐私政策 进行安全处理和保护。 

意见